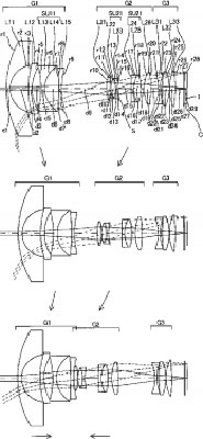
隨著 M4/3 定位伸延至高階,用家對鏡頭的要求亦隨之提高。對於 Olympus 來說,超廣角變焦方面雖然早有 M.ZUIKO DIGITAL ED 9-18mm F4.0-5.6,不過光圈偏細之下,就未必可滿足對拍攝有更高要求的用家。針對高階定位,網上最新便流出了廠方一支全新大光圈超廣角變焦的設計專利,新鏡將提供 8-20 mm 的焦距(等效為 16-40 mm),而光圈則為 f/2.8-4.0,光圈比現有的 9-18 mm 足足大了一級。(專利亦同時包含 8-35mm f/2.2-4.0 及 8-74mm f/2.8-4 的相關計算)
從設計中可見,鏡頭將用上 11 組 14 片的光學設計,同時 IF 內對焦的方式進行對焦。消息未有進一步透露新鏡推出的時間表,亦未肯定是否會真正推出,有興趣的用家,只好拭目以待了。
消息及圖片來源:photorumors




